お客様の声(工事例)

ご利用頂いたお客様の口コミ・レビューを「お客様の声」として掲載しております。
全てのご感想を掲載しておりますので、エクスショップの評判としてご参考ください。
正式お見積りと一緒に提出させて頂いております「工事概略図面」もご覧頂けます。
商品や設置場所のご検討にお役立てください。

毎日更新 安心と信頼の工事実績
声の掲載数
178,244
商品工事数
221,618
(2026年01月17日現在)

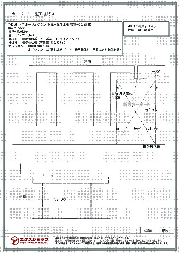
宮城県石巻市みやぎけん いしのまきし のYKKAPカーポート施工例(エフルージュグラン 耐風圧強度仕様 積雪〜30cm対応)

宮城県石巻市のYKKAPのカーポート エフルージュグラン 耐風圧強度仕様 積雪〜30cm対応 施工例

(写真No:22345924)

エフルージュグラン 耐風圧強度仕様 積雪〜30cm対応

カラー ピュアシルバー
サイズ 幅 2,725mm 奥行 5,052mm
屋根高等 標準柱仕様(有効高 約2,000mm)
屋根材等 熱線遮断ポリカーボネート(クリアマット)
工事方法 地域密着あんしん施工

お客様の感想 評価: 5つ星のうち4 4

結果的にホームセンターよりも少々予算は高くなりましたが、こちらでは本当に気に入った商品で、ということが決めてでした。ホ-ムセンタ-では同商品購入は見積段階で諦めてましたから。メ-ル連絡の点に若干のマイナスポイントがありますが、実際に施工した工務店は県内の店で、施工、対応ともに親切で丁寧でしたよ。

エクスショップ担当者より

この度はエフルージュグラン 耐風圧強度仕様の施工をご依頼頂き、誠に有り難うございました。たくさんございますショップの中から、エクスショップをお選び頂きましたこと、ご要望にかなった商品選択が実現できましたこと、大変光栄に存じます。ピュアシルバーのフレームと熱線遮断ポリカーボネート(クリアマット)の屋根材の取り合わせは、とても明るく清々しいお仕上がりでございますね。お車を雨や紫外線、太陽の熱からしっかりとお守りしますので、季節を問わず快適にご使用頂けるものと存じます。これからも更にご満足頂けるショップを目指し、エクスショップは日々努力を重ねて参ります。また次回エクステリアをご検討の際は、是非弊社にご用命くださいますよう、宜しくお願い致します。

この工事例についてのお問い合わせ

下のフォームの全項目にご入力の上、確認画面へ進んでください。
(※お客様にご入力いただいた情報は、セコムSSLにて暗号化され、安全に送信されます。)

お名前
(ふりがな)
せい めい
ご住所 都道府県:
メールアドレス

メールアドレスを持っていない(info@ex-shop.netが自動入力されます)

お電話番号
お問い合わせ内容

上の「お問い合わせフォーム」に必要事項を全て入力されましたら、
次の入力内容の確認ページへと進んでください。

確認画面へ進む

第三者への転売等を目的とする建設関連業者様からの施工のご依頼は、申し訳ありませんがお断りしております(※商品のみのご購入には対応しております)。

エクスショップが選ばれる7つの理由

高価な買い物だから、工事が必要な商品だから、ネットを介した購入だから、工事実績豊富で価格面も安心!のエクスショップが選ばれています。

25年連続NO.1エクステリアネット販売実績2000〜2024

  • 極限価格 割引率最大69%+α OFF!!
  • 現場調査&お見積り工事開始まですべて無料! 仕様変更による再見積りももちろん無料!
  • 全国対応 地域密着 1,613店 お近くの当社提携施工店が工事対応します!
  • メーカー取り扱い商品点数 豊富な10,000商品
  • 掲載中の施工実績&お客様の声 170,000件の実績!!
  • 商品&施工、安心のダブル保証! 商品2年施工10年
  • お客様情報をあらゆる面から守ります 安心セキュリティ

ページトップへ