お客様の声(工事例)

ご利用頂いたお客様の口コミ・レビューを「お客様の声」として掲載しております。
全てのご感想を掲載しておりますので、エクスショップの評判としてご参考ください。
正式お見積りと一緒に提出させて頂いております「工事概略図面」もご覧頂けます。
商品や設置場所のご検討にお役立てください。

毎日更新 安心と信頼の工事実績
声の掲載数
178,099
商品工事数
221,426
(2025年11月15日現在)

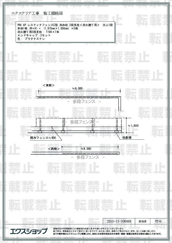
愛知県犬山市あいちけん いぬやまし のYKKAPフェンス・柵・塀施工例(レスティナフェンス5型 自由柱 2段支柱<自立建て用> ※上1段)

愛知県犬山市のYKKAPのフェンス・柵・塀 レスティナフェンス5型 自由柱 2段支柱<自立建て用> ※上1段 施工例

(写真No:30868831)

レスティナフェンス5型 自由柱 2段支柱<自立建て用> ※上1段

カラー プラチナステン
サイズ 幅 1,975mm 高さ 1,000mm
工事方法 地域密着あんしん施工

お客様の感想 評価: 5つ星のうち5 5

目隠し用フェンスを設置していただきましたが、じゅうぶんに機能し、見た目も素晴らしいです。

エクスショップ担当者より

この度はレスティナフェンス5型の施工のご依頼を頂きまして、誠に有り難うございます。お住まいの外観に自然に馴染みましたフェンスは、外からの視線をしっかりと遮り、ご家族皆様のプライバシーを保護しながらも、圧迫感を感じる事なく、ルーバー部分からは通風性も確保しておりますので、快適にお過ごし頂けるものと存じます。これからもお客様の安心出来る住まい作りのお手伝いが出来るよう、スタッフ一同努力して参りますので、また機会がございましたら、是非エクスショップにご用命頂きますよう、宜しくお願い申し上げます。

この工事例についてのお問い合わせ

下のフォームの全項目にご入力の上、確認画面へ進んでください。
(※お客様にご入力いただいた情報は、セコムSSLにて暗号化され、安全に送信されます。)

お名前
(ふりがな)
せい めい
ご住所 都道府県:
メールアドレス

メールアドレスを持っていない(info@ex-shop.netが自動入力されます)

お電話番号
お問い合わせ内容

上の「お問い合わせフォーム」に必要事項を全て入力されましたら、
次の入力内容の確認ページへと進んでください。

確認画面へ進む

第三者への転売等を目的とする建設関連業者様からの施工のご依頼は、申し訳ありませんがお断りしております(※商品のみのご購入には対応しております)。

エクスショップが選ばれる7つの理由

高価な買い物だから、工事が必要な商品だから、ネットを介した購入だから、工事実績豊富で価格面も安心!のエクスショップが選ばれています。

25年連続NO.1エクステリアネット販売実績2000〜2024

  • 極限価格 割引率最大69%+α OFF!!
  • 現場調査&お見積り工事開始まですべて無料! 仕様変更による再見積りももちろん無料!
  • 全国対応 地域密着 1,613店 お近くの当社提携施工店が工事対応します!
  • メーカー取り扱い商品点数 豊富な10,000商品
  • 掲載中の施工実績&お客様の声 170,000件の実績!!
  • 商品&施工、安心のダブル保証! 商品2年施工10年
  • お客様情報をあらゆる面から守ります 安心セキュリティ

ページトップへ