各取扱メーカーの会社名、ロゴ及び商品名等は各社の商標または登録商標です。
| 日 | 月 | 火 | 水 | 木 | 金 | 土 |
|---|---|---|---|---|---|---|
| 1 | 2 | 3 | 4 | 5 | 6 | |
| 7 | 8 | 9 | 10 | 11 | 12 | 13 |
| 14 | 15 | 16 | 17 | 18 | 19 | 20 |
| 21 | 22 | 23 | 24 | 25 | 26 | 27 |
| 28 | 29 | 30 | 31 |
| 日 | 月 | 火 | 水 | 木 | 金 | 土 |
|---|---|---|---|---|---|---|
| 1 | 2 | 3 | ||||
| 4 | 5 | 6 | 7 | 8 | 9 | 10 |
| 11 | 12 | 13 | 14 | 15 | 16 | 17 |
| 18 | 19 | 20 | 21 | 22 | 23 | 24 |
| 25 | 26 | 27 | 28 | 29 | 30 | 31 |
…休業日(現場調査・工事は一部対応)
![]()
【受付時間】9:30 - 17:30(営業日)
![]()
【受付時間】9:30 - 17:30(営業日)
オペレーションスタッフ
エクステリアプランナー有資格者の私たちにお任せください。
ショップ責任者
神(じん)
エクステリア プランナー
有資格者61名
1/3
1/3
今週のPick Upページ
![]()
ご利用頂いたお客様の口コミ・レビューを「お客様の声」として掲載しております。
全てのご感想を掲載しておりますので、エクスショップの評判としてご参考ください。
正式お見積りと一緒に提出させて頂いております「工事概略図面」もご覧頂けます。
商品や設置場所のご検討にお役立てください。
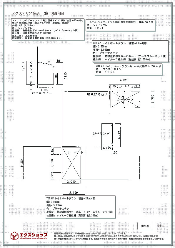
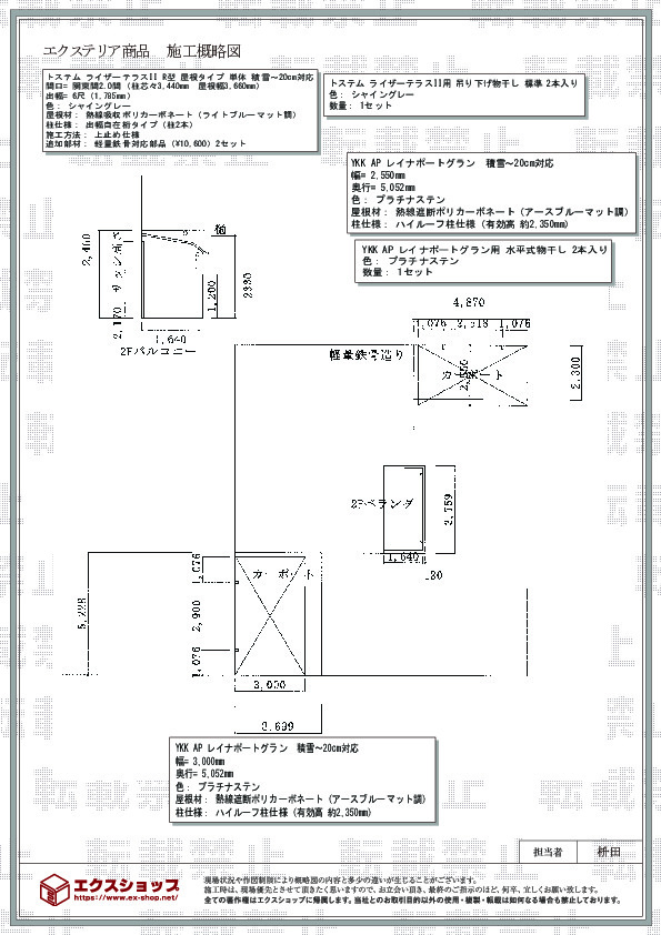
(写真No:18397919)
(カーポート、バルコニー・ベランダ屋根)
| カラー | プラチナステン |
|---|---|
| サイズ | 幅 3,000mm 奥行 5,052mm |
| 屋根高等 | 標準柱仕様(有効高 約2,000mm) |
| 屋根材等 | 熱線遮断ポリカーボネート(トーメイマット/すりガラス調) |
| 工事方法 | 地域密着あんしん施工 |
(写真No:18397919)
(カーポート、バルコニー・ベランダ屋根)
| カラー | プラチナステン |
|---|---|
| サイズ | 幅 2,550mm 奥行 5,052mm |
| 屋根高等 | 標準柱仕様(有効高 約2,000mm) |
| 屋根材等 | 熱線遮断ポリカーボネート(トーメイマット/すりガラス調) |
| 工事方法 | 地域密着あんしん施工 |
(写真No:18397919)
(カーポート、バルコニー・ベランダ屋根)
| カラー | シャイングレー |
|---|---|
| サイズ | 屋根幅 3,660mm 出幅 1,785mm |
| 柱仕様 | 出幅自在桁タイプ(柱2本) |
| 屋根材 | ポリカーボネート(クリアマット/すりガラス調) |
| 工事方法 | 地域密着あんしん施工 |
こちらの何度か要求仕様変更に対しても、迅速にお見積もりをしていただき、また注文からから施工日までの期間も短く、3件の工事も1日で完成していただき、大変満足しています。
この度は、カーポートとバルコニー屋根の施工をご依頼頂きまして、誠に有り難うございます。じっくりご検討頂き、お客様のイメージ通りのお仕上がりとなりましたこと、スタッフ一同大変嬉しく存じます。プラチナステンのフレームとポリカーボネートの屋根材との取り合わせが、上品で高級感がございますね。これからも、このようなお褒めのお言葉を励みに、さらにご満足頂けるエクスショップを目指して、努力して参りたいと存じます。また機会がございましたら、是非弊社にご用命くださいますよう、宜しくお願い致します。
当サイトは以下のセキュリティ機能や保護認定等を備えています。安心してお申し込みください
当サイトは256ビットSSL暗号化に対応しています。入力した個人情報は暗号化して送られますので、安心してご利用ください。
当社はJADMAの正会員です。同協会は法律で位置づけられた団体で、消費者の利益保護と業界の健全な発展の為に活動しています。
こちらの工事に使用しているエクステリア
![]()
アリュース 600タイプ 1台用

工事費・税込
133,100円〜
商品レビュー数
191件
アリュース 600タイプ 1台用はアール屋根・片側支持仕様のカーポートです。柱と梁にはT6処理(部材押出時に水で急速冷凍し高強度化)を施したアルミニウム合金を採用。基準風速Vo=34m/s・耐積雪性能20cmの安心性能です。オプションとしてサイドパネルなどもご用意。
この商品の詳細へ
無料お見積り・現場調査・ご注文もこちら
こちらの工事に使用しているエクステリア
![]()
スピーネ R型 屋根タイプ 単体

工事費・税込
92,200円〜
商品レビュー数
421件
LIXILの新テラス屋根スピーネ。広い地域に対応ができる積雪〜20cmタイプです。雨や雪の入り込みを防ぎ、さらに視線も遮る目隠しスクリーンも取り付けられるテラスです。
この商品の詳細へ
無料お見積り・現場調査・ご注文もこちら