お客様の声(工事例)

ご利用頂いたお客様の口コミ・レビューを「お客様の声」として掲載しております。
全てのご感想を掲載しておりますので、エクスショップの評判としてご参考ください。
正式お見積りと一緒に提出させて頂いております「工事概略図面」もご覧頂けます。
商品や設置場所のご検討にお役立てください。

毎日更新 安心と信頼の工事実績
声の掲載数
182,521
商品工事数
227,219
(2026年06月01日現在)

神奈川県秦野市かながわけん はだのし のLIXIL リクシル(トステム)カーポート施工例(ルーフポートシグマIII 積雪~20cm対応)

神奈川県秦野市のLIXIL リクシル(トステム)のカーポート ルーフポートシグマIII 積雪~20cm対応 施工例

(写真No:7221471)

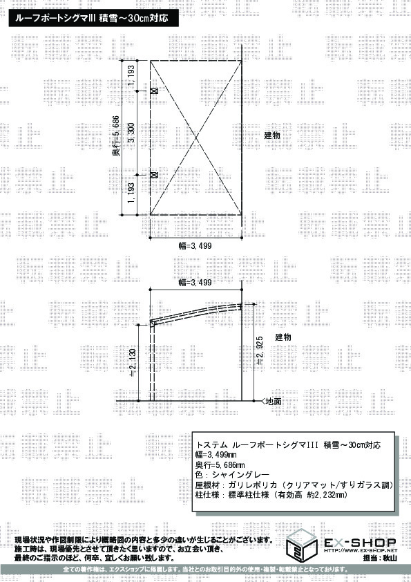
ルーフポートシグマIII 積雪~20cm対応

カラー シャイングレー
サイズ 幅 3,499mm 奥行 5,686mm
屋根高等 標準柱仕様(有効高 約2,232mm)
屋根材等 ガリレポリカ(クリアマット/すりガラス調)
工事方法 地域密着あんしん施工

お客様の感想 評価: 5つ星のうち

エクスショップの担当の方のご対応も良く、メールと電話でのフォローも確実に行って頂きました。施工業者さんのご対応も大変に丁寧で、今までにリフォームで多くの工事をお願いして来ましたが、最初からエクスショップさんにお願いすれば良かったと反省しております。

エクスショップ担当者より

勿体ないほどのお褒めのお言葉を頂きまして、誠に光栄に存じます。お顔の見えないネット販売ではございますが、お客様に安心してご利用頂き、ご満足して頂きたいと願っておりますので、このようなお言葉を頂き、大変励みになります。シャイングレーのフレームと、ガリレポリカ(クリアマット/すりガラス調)の屋根材のルーフポートシグマIIIは、明るく、高級感がございますね。弊社では、カーポート以外にも、様々なエクステリアをご用意致しておりますので、また、機会がございましたら、エクスショップにご用命くださいますよう宜しくお願い致します。この度のご利用、誠に有難うございました。

この工事例についてのお問い合わせ

下のフォームの全項目にご入力の上、確認画面へ進んでください。
(※お客様にご入力いただいた情報は、SSLにて暗号化され、安全に送信されます。)

お名前
(ふりがな)
せい めい
ご住所 都道府県:
メールアドレス

メールアドレスを持っていない([email protected]が自動入力されます)

お電話番号
お問い合わせ内容

上の「お問い合わせフォーム」に必要事項を全て入力されましたら、
次の入力内容の確認ページへと進んでください。

確認画面へ進む

第三者への転売等を目的とする建設関連業者様からの施工のご依頼は、申し訳ありませんがお断りしております(※商品のみのご購入には対応しております)。

エクスショップが選ばれる7つの理由

高価な買い物だから、工事が必要な商品だから、ネットを介した購入だから、工事実績豊富で価格面も安心!のエクスショップが選ばれています。

25年連続NO.1エクステリアネット販売実績2000~2024

  • 極限価格 割引率最大69%+α OFF!!
  • 現場調査&お見積り工事開始まですべて無料! 仕様変更による再見積りももちろん無料!
  • 全国対応 地域密着 1,613店 お近くの当社提携施工店が工事対応します!
  • メーカー取り扱い商品点数 豊富な10,000商品
  • 掲載中の施工実績&お客様の声 180,000件の実績!!
  • 商品&施工、安心のダブル保証! 商品2年施工10年
  • お客様情報をあらゆる面から守ります 安心セキュリティ

ページトップへ