お客様の声(工事例)

ご利用頂いたお客様の口コミ・レビューを「お客様の声」として掲載しております。
全てのご感想を掲載しておりますので、エクスショップの評判としてご参考ください。
正式お見積りと一緒に提出させて頂いております「工事概略図面」もご覧頂けます。
商品や設置場所のご検討にお役立てください。

毎日更新 安心と信頼の工事実績
声の掲載数
182,521
商品工事数
227,219
(2026年05月22日現在)

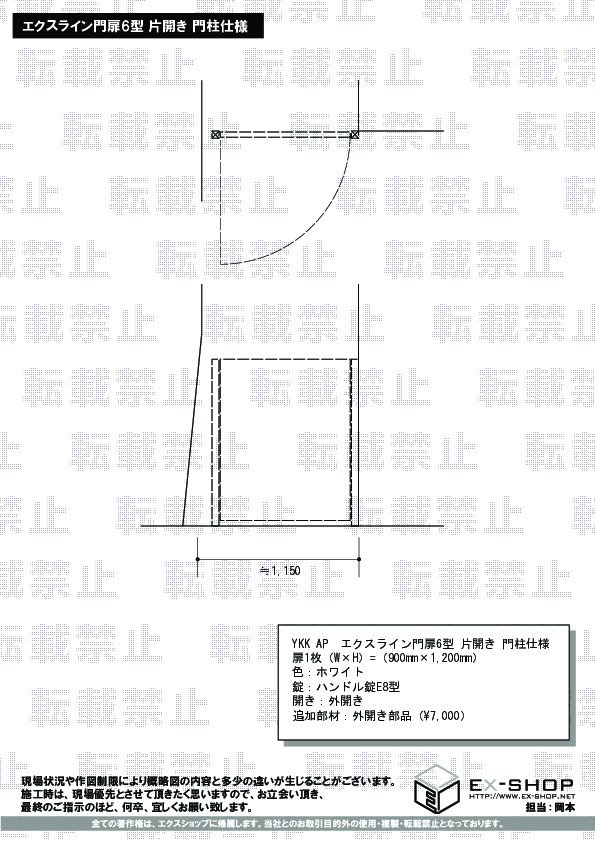
神奈川県川崎市かながわけん かわさきし のYKKAP門扉施工例(エクスライン門扉6型 片開き 門柱仕様)

神奈川県川崎市のYKKAPの門扉 エクスライン門扉6型 片開き 門柱仕様 施工例

(写真No:10618511)

エクスライン門扉6型 片開き 門柱仕様

カラー ホワイト
サイズ 幅 900mm 高さ 1,200mm
工事方法 地域密着あんしん施工

お客様の感想 評価: 5つ星のうち4 4

丁寧な仕事をしていただき、仕上がりにも満足しています。ただ、撤去費用が思ったより高かったです。

エクスショップ担当者より

この度は、エクスライン門扉6型の施工ご依頼を頂き誠に有り難うございます。お仕上がりにご満足頂けた様で、施工士も担当スタッフも大変喜んでおります。ホワイトの明るいお色味が明るい外壁とマッチし、素敵なお仕上がりでございますね。今後、お客様に全ての面でご満足頂ける様、日々精進して参りますので、また機会がございましたら是非エクスショップをご利用下さいます様、宜しくお願い致します。

この工事例についてのお問い合わせ

下のフォームの全項目にご入力の上、確認画面へ進んでください。
(※お客様にご入力いただいた情報は、SSLにて暗号化され、安全に送信されます。)

お名前
(ふりがな)
せい めい
ご住所 都道府県:
メールアドレス

メールアドレスを持っていない([email protected]が自動入力されます)

お電話番号
お問い合わせ内容

上の「お問い合わせフォーム」に必要事項を全て入力されましたら、
次の入力内容の確認ページへと進んでください。

確認画面へ進む

第三者への転売等を目的とする建設関連業者様からの施工のご依頼は、申し訳ありませんがお断りしております(※商品のみのご購入には対応しております)。

エクスショップが選ばれる7つの理由

高価な買い物だから、工事が必要な商品だから、ネットを介した購入だから、工事実績豊富で価格面も安心!のエクスショップが選ばれています。

25年連続NO.1エクステリアネット販売実績2000~2024

  • 極限価格 割引率最大69%+α OFF!!
  • 現場調査&お見積り工事開始まですべて無料! 仕様変更による再見積りももちろん無料!
  • 全国対応 地域密着 1,613店 お近くの当社提携施工店が工事対応します!
  • メーカー取り扱い商品点数 豊富な10,000商品
  • 掲載中の施工実績&お客様の声 180,000件の実績!!
  • 商品&施工、安心のダブル保証! 商品2年施工10年
  • お客様情報をあらゆる面から守ります 安心セキュリティ

ページトップへ