お客様の声(工事例)

ご利用頂いたお客様の口コミ・レビューを「お客様の声」として掲載しております。
全てのご感想を掲載しておりますので、エクスショップの評判としてご参考ください。
正式お見積りと一緒に提出させて頂いております「工事概略図面」もご覧頂けます。
商品や設置場所のご検討にお役立てください。

毎日更新 安心と信頼の工事実績
声の掲載数
177,246
商品工事数
220,287
(2025年10月15日現在)

千葉県千葉市緑区 のフェンス・柵・塀、カーポート施工例(プリレオR5型フェンス[フリーポール])

千葉県千葉市緑区ののフェンス・柵・塀、カーポート プリレオR5型フェンス[フリーポール] 施工例

(写真No:3360639)

プリレオR5型フェンス[フリーポール]

カラー マイルドブラック
サイズ 幅 1,975mm 高さ 1,000mm
工事方法 地域密着あんしん施工

施工図面

施工図面

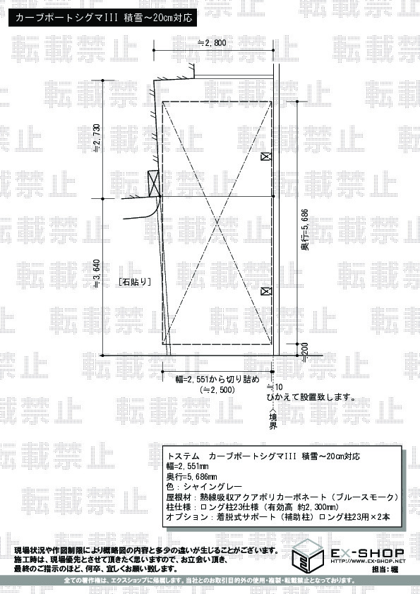
千葉県千葉市緑区ののフェンス・柵・塀、カーポート テールポートシグマIII 積雪〜20cm対応 施工例

(写真No:3360639)

テールポートシグマIII 積雪〜20cm対応

カラー シャイングレー
サイズ 幅 2,700mm 奥行 5,686mm
屋根高等 ロング柱仕様23
屋根材等 熱線吸収アクアポリカーボネート(ブルースモーク)
工事方法 地域密着あんしん施工

お客様の感想 評価: 5つ星のうち

何度かの仕様変更にも関わらず、その都度見積りをたててくれて、尚且つ電話でのエクスショップの方の対応も良く、感謝しています。今回は一部フェンス工事もありましたのでエクスショップ提携店施工を選びました。施工にあたっては、職人さんの少し荒い面もあり屋根材のポリカの傷が目立ち、不愉快さを感じましたが日が落ちるのが早いこの時期の1日で仕上げるノルマでは致しかたないのかと・・・。私も職人であるがゆえ、極力指摘する気持ちを抑えました。たくさんの施工業者さんがおられると思いますが、見える所の傷には、充分注意していただきたい。今後ともエクスショップさんが繁栄していく上では、施工業者さんの協力があってこそですので、その辺をもっと真剣に考えていく必要があると思います。最終的には無事カーポートも建ち、満足しています。いろいろありましたが、ありがとうございました。身近でカーポートを建てる人がいましたら、エクスショップさんを紹介したいと思います。

エクスショップ担当者より

この度はエクスショップをご利用いただきまして、誠に有難うございます。また、貴重な感想をお寄せ頂きまして、重ねて御礼申し上げます。施工士の所作が荒く、傷を付けてしまったということですが、温かいお言葉を頂き恐縮いたしております。施工士にも、申し伝えて今後このような事のないようにしてまいりたいと存じます。また何かお気づきの点がございましたら、遠慮なくエクスショップにご連絡ください。この度のご利用、誠に有難うございました。

この工事例についてのお問い合わせ

下のフォームの全項目にご入力の上、確認画面へ進んでください。
(※お客様にご入力いただいた情報は、セコムSSLにて暗号化され、安全に送信されます。)

お名前
(ふりがな)
せい めい
ご住所 都道府県:
メールアドレス

メールアドレスを持っていない(info@ex-shop.netが自動入力されます)

お電話番号
お問い合わせ内容

上の「お問い合わせフォーム」に必要事項を全て入力されましたら、
次の入力内容の確認ページへと進んでください。

確認画面へ進む

第三者への転売等を目的とする建設関連業者様からの施工のご依頼は、申し訳ありませんがお断りしております(※商品のみのご購入には対応しております)。

こちらの工事に使用しているエクステリア

LIXIL

フェンスAB YM2型 横目隠し2

  • 40%OFF
  • さらに特別値引

工事費・税込

90,000円〜

総合平均評価(星5つ評価)

4.52

商品レビュー数

28

フェンスAB YM2型 横目隠し2は目隠し率100%のプライバシー確保に最適なフェンスです。完全にすき間が無いため、外部からの雨風の吹き込みを抑えます。本体カラーは外観と合わせやすい5種類から選択できます。

こちらの工事に使用しているエクステリア

LIXIL

フーゴ R 袖壁 1台用(ラウンドスタイル)

  • 45%OFF
  • さらに特別値引

工事費・税込

280,500円〜

総合平均評価(星5つ評価)

4.52

商品レビュー数

5

フーゴ R 袖壁 1台用(ラウンドスタイル)は側面からの風雪雨を減少させる対応力が特徴のカーポートです。H22柱を標準的に装備しており、高さのある車にも余裕で対応します。耐風性能は基準風速Vo=34m/sに適合し、20cmの積雪にも対応可能です。

エクスショップが選ばれる7つの理由

高価な買い物だから、工事が必要な商品だから、ネットを介した購入だから、工事実績豊富で価格面も安心!のエクスショップが選ばれています。

25年連続NO.1エクステリアネット販売実績2000〜2024

  • 極限価格 割引率最大69%+α OFF!!
  • 現場調査&お見積り工事開始まですべて無料! 仕様変更による再見積りももちろん無料!
  • 全国対応 地域密着 1,613店 お近くの当社提携施工店が工事対応します!
  • メーカー取り扱い商品点数 豊富な10,000商品
  • 掲載中の施工実績&お客様の声 170,000件の実績!!
  • 商品&施工、安心のダブル保証! 商品2年施工10年
  • お客様情報をあらゆる面から守ります 安心セキュリティ

ページトップへ