各取扱メーカーの会社名、ロゴ及び商品名等は各社の商標または登録商標です。
| 日 | 月 | 火 | 水 | 木 | 金 | 土 |
|---|---|---|---|---|---|---|
| 1 | 2 | 3 | 4 | 5 | 6 | |
| 7 | 8 | 9 | 10 | 11 | 12 | 13 |
| 14 | 15 | 16 | 17 | 18 | 19 | 20 |
| 21 | 22 | 23 | 24 | 25 | 26 | 27 |
| 28 | 29 | 30 | 31 |
| 日 | 月 | 火 | 水 | 木 | 金 | 土 |
|---|---|---|---|---|---|---|
| 1 | 2 | 3 | ||||
| 4 | 5 | 6 | 7 | 8 | 9 | 10 |
| 11 | 12 | 13 | 14 | 15 | 16 | 17 |
| 18 | 19 | 20 | 21 | 22 | 23 | 24 |
| 25 | 26 | 27 | 28 | 29 | 30 | 31 |
…休業日(現場調査・工事は一部対応)
![]()
【受付時間】9:30 - 17:30(営業日)
![]()
【受付時間】9:30 - 17:30(営業日)
オペレーションスタッフ
エクステリアプランナー有資格者の私たちにお任せください。
ショップ責任者
神(じん)
エクステリア プランナー
有資格者61名
1/3
1/3
今週のPick Upページ
![]()
ご利用頂いたお客様の口コミ・レビューを「お客様の声」として掲載しております。
全てのご感想を掲載しておりますので、エクスショップの評判としてご参考ください。
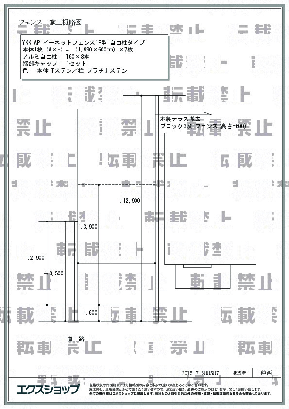
正式お見積りと一緒に提出させて頂いております「工事概略図面」もご覧頂けます。
商品や設置場所のご検討にお役立てください。
(写真No:28858727)
(フェンス・柵・塀)
| カラー | Tステン/柱 プラチナステン |
|---|---|
| サイズ | 幅 1,990mm 高さ 600mm |
| 工事方法 | 地域密着あんしん施工 |
(写真No:28858727)
(フェンス・柵・塀)
| カラー | Tステン/柱 プラチナステン |
|---|---|
| サイズ | 幅 1,990mm 高さ 600mm |
| 工事方法 | 地域密着あんしん施工 |
境界フェンスに関しては丁寧に施工していただきました。化粧ブロック、ネットフェンスの色も綺麗で満足しています。駐車場の施工については、転圧仕上げが思っていたのと違っていたが、価格から考えたら仕方ないのかなと思う。
この度はイーネットフェンス1F型の施工をご依頼頂きまして、誠に有り難うございます。駐車スペースの施工に関しまして、ご希望との相違がございましたこと、誠に申し訳ございませんでした。今後は事前のきめ細やかなご説明を心掛けることで、ご意向との相違が起こることの無いよう、改善・対策に努めて参りたいと存じます。今後また何かお気づきの点がございましたら大変お手数ではございますが、エクスショップまでご連絡下さいますよう、宜しくお願い致します。
当サイトは以下のセキュリティ機能や保護認定等を備えています。安心してお申し込みください
当サイトは256ビットSSL暗号化に対応しています。入力した個人情報は暗号化して送られますので、安心してご利用ください。
当社はJADMAの正会員です。同協会は法律で位置づけられた団体で、消費者の利益保護と業界の健全な発展の為に活動しています。
こちらの工事に使用しているエクステリア
![]()
イーネットフェンス 3F型

工事費・税込
47,500円〜
商品レビュー数
396件
イーネットフェンス 3F型は施工性に優れたスチール製のメッシュフェンスです。風速40m/s相当の耐風性能(YKKAP社基準)があり、防犯にも効果的です。本体カラーは外観の邪魔にならないプラチナステン、ホワイト、カームブラックの3色からお選びいただけます。
この商品の詳細へ
無料お見積り・現場調査・ご注文もこちら