各取扱メーカーの会社名、ロゴ及び商品名等は各社の商標または登録商標です。
| 日 | 月 | 火 | 水 | 木 | 金 | 土 |
|---|---|---|---|---|---|---|
| 1 | ||||||
| 2 | 3 | 4 | 5 | 6 | 7 | 8 |
| 9 | 10 | 11 | 12 | 13 | 14 | 15 |
| 16 | 17 | 18 | 19 | 20 | 21 | 22 |
| 23 | 24 | 25 | 26 | 27 | 28 | 29 |
| 30 |
| 日 | 月 | 火 | 水 | 木 | 金 | 土 |
|---|---|---|---|---|---|---|
| 1 | 2 | 3 | 4 | 5 | 6 | |
| 7 | 8 | 9 | 10 | 11 | 12 | 13 |
| 14 | 15 | 16 | 17 | 18 | 19 | 20 |
| 21 | 22 | 23 | 24 | 25 | 26 | 27 |
| 28 | 29 | 30 | 31 |
…休業日(現場調査・工事は一部対応)
![]()
【受付時間】9:30 - 17:30(営業日)
![]()
【受付時間】9:30 - 17:30(営業日)
オペレーションスタッフ
エクステリアプランナー有資格者の私たちにお任せください。
ショップ責任者
神(じん)
エクステリア プランナー
有資格者61名
1/3
1/3
今週のPick Upページ
![]()
ご利用頂いたお客様の口コミ・レビューを「お客様の声」として掲載しております。
全てのご感想を掲載しておりますので、エクスショップの評判としてご参考ください。
正式お見積りと一緒に提出させて頂いております「工事概略図面」もご覧頂けます。
商品や設置場所のご検討にお役立てください。
(写真No:22416225)
(カーゲート、フェンス・柵・塀、カーポート)
| カラー | シャイングレー |
|---|---|
| サイズ | 全幅 5,616mm 高さ 1,250mm |
| 柱タイプ | |
| 工事方法 | 地域密着あんしん施工 |
(写真No:22416225)
(カーゲート、フェンス・柵・塀、カーポート)
| カラー | シャイングレー |
|---|---|
| サイズ | 幅 1,979.5mm 高さ 1,000mm |
| 工事方法 | 地域密着あんしん施工 |
(写真No:22416225)
(カーゲート、フェンス・柵・塀、カーポート)
| カラー | シャイングレー |
|---|---|
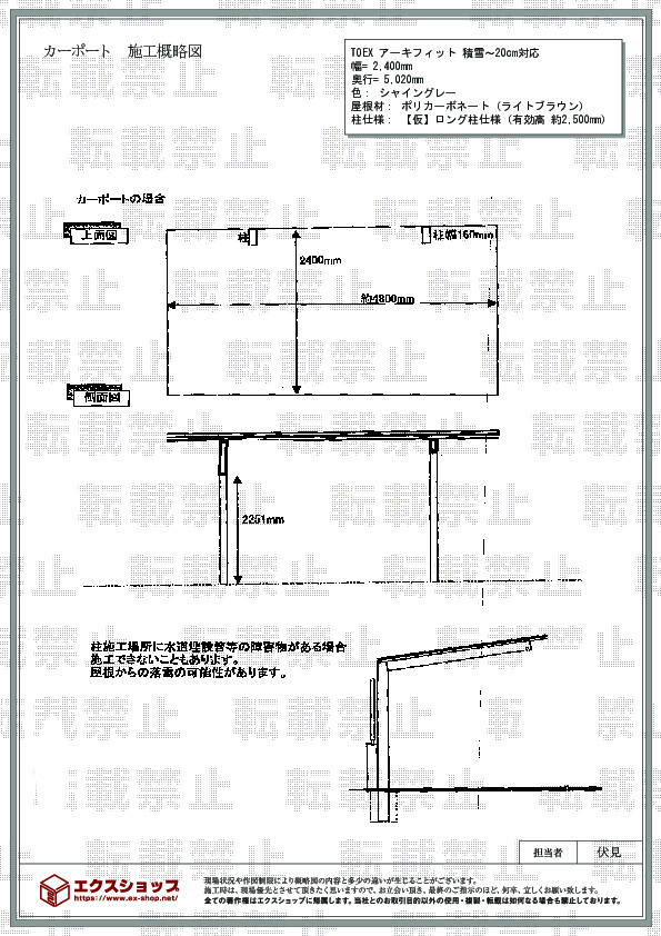
| サイズ | 幅 2,400mm 奥行 5,020mm |
| 屋根高等 | 標準柱仕様(有効高 約2,251mm) |
| 屋根材等 | ポリカーボネート(ライトブラウン) |
| 工事方法 | 地域密着あんしん施工 |
施工の仕上がりも価格も納得の行くもので満足しております。唯一、申し込みから工事完了までの期間があまりに長い(二ヶ月ほど)のが残念。今回、車の買替えに合わせての施工でしたが、工事完了は車の納車から二週間後でした。
カーポート、フェンス、カーゲートの施工をご依頼頂きまして、誠に有り難うございます。お車の納車に間に合わず、ご迷惑をお掛け致しましたこと、心よりお詫び申し上げます。今後は、丁寧な対応とともに、スピードの面でもご満足頂けますよう、努力して参りたいと存じます。フラットな屋根が特徴のスリムなアーキフィットと、アルシャインII M型の織り成す幾何学模様が見事に調和して、美しいお仕上がりでございますね。お気に召して頂き、永くご愛用頂けましたら幸いでございます。これからも、快適な暮らしのために、是非、エクスショップをご利用ください。またのご利用を、心よりお待ち申し上げております。
当サイトは以下のセキュリティ機能や保護認定等を備えています。安心してお申し込みください
当サイトは256ビットSSL暗号化に対応しています。入力した個人情報は暗号化して送られますので、安心してご利用ください。
当社はJADMAの正会員です。同協会は法律で位置づけられた団体で、消費者の利益保護と業界の健全な発展の為に活動しています。
こちらの工事に使用しているエクステリア
![]()
アルシャインU M型 Aタイプ ノンレール 両開き

工事費・税込
188,200円〜
商品レビュー数
17件
回転収納も可能で使い勝手も抜群の伸縮門扉!強風にも安心の頑丈設計。サイズ特注も可能で、高さも3段階から選べます!お好み通り伸縮門扉が完成します!
この商品の詳細へ
無料お見積り・現場調査・ご注文もこちら
こちらの工事に使用しているエクステリア
![]()
ネスカ F 1台用(フラットスタイル)

工事費・税込
181,100円〜
商品レビュー数
247件
ネスカ F 1台用(フラットスタイル)は直線基調のフラット屋根が特徴的な1台用カーポートです。全光線透過率0%のブラックマット仕様ポリカーボネートがついに導入。その他全6タイプの屋根材もご用意。耐性能は基準風速Vo=36m、耐積雪20cmまで対応。※屋根材:ポリカーボネート(ブラックマット)は同色のサイドパネルの設定が無いため、サイドパネル:ポリカーボネート(クリアブルー/クリアブラウン)の価格で算出しています。
この商品の詳細へ
無料お見積り・現場調査・ご注文もこちら