快適なガレージには必須
お庭に機能的スペースを作り出します
日光、雨・風を防ぎバルコニーを快適に
ガレージの保全・防犯にカーポートと合わせて
お家の収納能力をアップ
ガレージ商品とコンビで高級感を演出
各取扱メーカーの会社名、ロゴ及び商品名等は各社の商標または登録商標です。
| 日 | 月 | 火 | 水 | 木 | 金 | 土 |
|---|---|---|---|---|---|---|
| 1 | ||||||
| 2 | 3 | 4 | 5 | 6 | 7 | 8 |
| 9 | 10 | 11 | 12 | 13 | 14 | 15 |
| 16 | 17 | 18 | 19 | 20 | 21 | 22 |
| 23 | 24 | 25 | 26 | 27 | 28 | 29 |
| 30 |
| 日 | 月 | 火 | 水 | 木 | 金 | 土 |
|---|---|---|---|---|---|---|
| 1 | 2 | 3 | 4 | 5 | 6 | |
| 7 | 8 | 9 | 10 | 11 | 12 | 13 |
| 14 | 15 | 16 | 17 | 18 | 19 | 20 |
| 21 | 22 | 23 | 24 | 25 | 26 | 27 |
| 28 | 29 | 30 | 31 |
…休業日(現場調査・工事は一部対応)
![]()
【受付時間】9:30 - 17:30(営業日)
![]()
【受付時間】9:30 - 17:30(営業日)
オペレーションスタッフ
エクステリアプランナー有資格者の私たちにお任せください。
ショップ責任者
神(じん)
エクステリア プランナー
有資格者61名
1/3
木附
枡田
重富
吉澤
吉野
小東
池本
山田
佐藤
白崎
新西
伊野
次田
浅川
南
西山
小林
梨田
長谷川
藤田
阿重田
村上
植松
内田
久田
小野
平戸
中島
長石
水口
榮
山崎
清水
室谷
安田
水谷
酒井
神吉
日下部
山中
深田
田中
水田
西田
一氏
岡本
北
坂本
中嶋
岩野
伊藤
上中
高山
竹本
犬井
佐伯
谷川
原
丸山
塚田
松本
上内
島田
森
梅田
松山
山本
小林
倉地
山根
中原
河野
村上
土井
岩破
南
井上
三ツ股
小田
依藤
永禮
林
加藤
石藤
駒井
末吉
山本
芦野
樽井
野上
岡田
木村
池田
西村
藤澤
達川
奥原
那須
小西
森下
1/3
今週のPick Upページ
![]()
ご利用頂いたお客様の口コミ・レビューを「お客様の声」として掲載しております。
全てのご感想を掲載しておりますので、エクスショップの評判としてご参考ください。
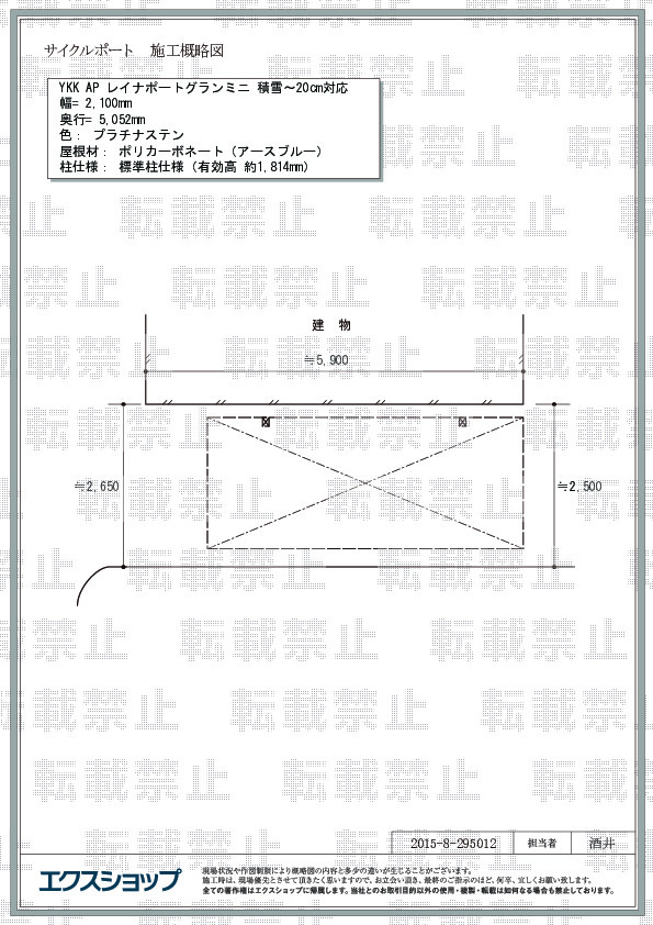
正式お見積りと一緒に提出させて頂いております「工事概略図面」もご覧頂けます。
商品や設置場所のご検討にお役立てください。
(写真No:29501228)
(サイクルポート・自転車置き場)
| カラー | プラチナステン |
|---|---|
| サイズ | 幅 2,100mm 奥行 5,052mm |
| 屋根高等 | 標準柱仕様(有効高 約1,814mm) |
| 屋根材等 | ポリカーボネート(アースブルー) |
| 工事方法 | 地域密着あんしん施工 |
建てたばかりですが、だいたいイメージ通りでした。見積もりを複数いただけたのも良かったです。
この度はレイナポートグランミニの施工をエクスショップにご依頼頂き、有り難うございました。お客様のイメージ通りの完成となりましたこと、私どもも大変嬉しく存じます。雨や紫外線は遮りますが、適度に光を通しますポリカーボネート(アースブルー)の屋根材ですので、天候に関係なく快適にご使用頂けるものと存じます。これからもお客様に安心と満足をお届け出来るよう、エクスショップは日々精進して参ります。また機会がございましたら、是非弊社にご用命くださいますよう、宜しくお願い致します。
当サイトは以下のセキュリティ機能や保護認定等を備えています。安心してお申し込みください
当サイトは256ビットSSL暗号化に対応しています。入力した個人情報は暗号化して送られますので、安心してご利用ください。
当社はJADMAの正会員です。同協会は法律で位置づけられた団体で、消費者の利益保護と業界の健全な発展の為に活動しています。
こちらの工事に使用しているエクステリア
![]()
アリュース ミニ 600タイプ 単体

工事費・税込
136,000円〜
総合平均評価(星5つ評価)
4.73
商品レビュー数
15件
アリュース ミニ 600タイプ 単体は屋根がアール型のスタンダードな片流れスタイルのサイクルポート(駐輪場屋根)です。基準風速Vo=34m/s・耐積雪性能20cm相当の性能があり、約3〜9台の駐輪が可能です(自転車の間隔を約600mmとして計算)。
この商品の詳細へ
無料お見積り・現場調査・ご注文もこちら
この商品のレビュー
商品レビュー15件

兵庫県 加古川市 Y.A.様
熱に強いブルーのボードを選びましたが、オシャレで気に入りました!

東京都 府中市 M.T.様
思ったより柱も頑丈で、高級感がある。(屋根下、室内も明るく、満足)

福岡県 福岡市 H.R.様
サイクルポートの第1希望として、高さ2.5m程度のハイルーフタイプだったため、希望に沿ったものが設置できたこととカーポートも同じ商品で設置でき、見た目も統一感が出て満足しています

神奈川県 横浜市 S.T.様
商品自体は良い 施工前に埋設配管などがないか確認してほしい

千葉県 柏市 T.S.様
設置も丁寧にやってもらったので非常に満足しています。

神奈川県 横浜市 Y・D様
メーカーが大手であり、信頼できる、また施工業者が地元であり安心です。 商品についても満足している。
関連するお客様の声

5つ星のうち5
兵庫県Y.A. 様回答日:2024年11月
お隣が畑で大きい柿の木もあり、夏の終わりには蚊が多かったため、高めのフェンスを設置することにしました。工事もきちんと説明しながら進めて下さり、サイクルポートもフェンスも完璧な仕上がりで特にお値段が大満足でした!ありがとうございました!また何かありましたら利用させて頂きます。

5つ星のうち5
静岡県M.T. 様回答日:2023年5月
所有アパートへサイクルポートを設置しましたが、これまで、アパートの色んな場所に定位置化されていない自転車が5台以上あちこちにあり、とても乱雑でしたが、とてもスッキリさせる事が出来、住人もみんな喜んで頂けました。今後、アパート経営されてる方で、自転車の乱雑に気付いたら、これだけスッキリ出来るなら、とても安いものだと思いました。オススメします!

5つ星のうち5
岩手県Y.K. 様回答日:2022年8月
フェンス 隣家の目を感じず庭に出られて満足しています。サイクルポート これから子どもたちが頻繁に自転車を使用するようになりますので、しっかりしたものを設置したいと考えました。ホームセンターでビニールハウスタイプのものでもそれなりのお値段がします。

5つ星のうち5
広島県M.A. 様回答日:2022年4月
隣に新しく建った家の玄関とうちのリビングの腰窓が向かい合った形となってしまい、目隠し目的でフェンスを付けたいと考えました。設置後は隣の家の玄関からこちらは見えなくなったと思います。それと、フェンスがあるおかげでブラインドを窓の半分くらいまで開けられるようになったので、部屋が少し明るくなって嬉しいです。

5つ星のうち5
埼玉県E.A. 様回答日:2022年3月
電動自転車を購入したことをきっかけに、カバーをかけずに雨をしのげたらと思い設置を決めました。昨晩の雨風には自転車も濡れてしまいましたが、最小限に雨を防げていると思います。また、子どもたちが大きくなっていく上で、自転車を停めるようになるため設置してよかったと思います。

5つ星のうち5
兵庫県Y.A. 様回答日:2024年11月
お隣が畑で大きい柿の木もあり、夏の終わりには蚊が多かったため、高めのフェンスを設置することにしました。工事もきちんと説明しながら進めて下さり、サイクルポートもフェンスも完璧な仕上がりで特にお値段が大満足でした!ありがとうございました!また何かありましたら利用させて頂きます。

5つ星のうち5
栃木県K.T. 様回答日:2024年7月
今までマンションタイプの賃貸にしか住んだことがなかった為、サイクルポートや物置の必要性を感じたことがなかったのですが、雨に濡れていない自転車や物が散乱していない庭は気持ちがいいです。ウッドデッキはそこまで広くないのですが、庭仕事と部屋の同線が良くなり大変満足しています。

5つ星のうち5
京都府Y.T. 様回答日:2024年5月
購入を考えるきっかけになったのは引っ越しです。設置前は自宅の駐車スペースに屋根がなく、バイクカバーが欠かせない状況でした。サイクルポート設置後、バイクカバーはもちろん不要です。雨の日にバイクで帰宅しても、玄関に入る前に、気軽にカッパを脱ぐことができて便利です。雨の日のゴミ出しも、サイクルポート内に出せるので、濡れずに済んで快適です。エクスショップでの見積から、商品決定、施工スケジュール調整、施工日の連絡、支払い方法の案内まで、非常にスムーズに進行しました。不明点に対しては非常に丁寧に対応いただき感謝しております。
関連するブログ記事










関連するよくあるご質問
サイクルポートって何ですか?
【商品カテゴリ >サイクルポート・自転車置き場】(ご質問No.28914)
リレーリアにて、門柱+サイクルポートのようなものの取り扱いはありますか?
【商品カテゴリ >サイクルポート・自転車置き場】(ご質問No.214)
サイクルポートに目安で自転車何台くらいとめられますか?
【商品カテゴリ >サイクルポート・自転車置き場】(ご質問No.720)
サイクルポートと一緒に土間コンクリートを打設できますか?
【商品カテゴリ >サイクルポート・自転車置き場】(ご質問No.721)
スクリーンの取付けについて、「前面のみ」や「側面のみ」の取付けはできますか?
【商品カテゴリ >サイクルポート・自転車置き場】(ご質問No.722)
前の大雪で当社の自転車置き場がつぶれました。
つきましては新しく作成を考えていますので、一度見に来ていただいて見積もりを作成していただければ幸いです。 よろしく願います。
【商品カテゴリ >サイクルポート・自転車置き場】(ご質問No.961)
自宅の駐車場に屋根を付けたい。
【商品カテゴリ >サイクルポート・自転車置き場】(ご質問No.1009)
プレシオスポートミニを検討しています。
柱の高さを短くして使用したいのですが、工事ではなく物販のみの対応はしていただけるのでしょうか?
対応していただける場合の納期と商品の入荷方法(輸送時チャーター便?それとも宅配便?)
など教えていただければ幸いです。
よろしくお願いいたします。
【商品カテゴリ >サイクルポート・自転車置き場】(ご質問No.1100)
タカショーのサイクルポート「アートポートミニ」(21-21、標準柱熱線カット屋根)の設置を考えているのですが、見積もりをお願いできますか?
【商品カテゴリ >サイクルポート・自転車置き場】(ご質問No.1140)
お世話になります。
自宅に設置する駐輪場部材の購入を検討していますが、
三協アルミ カムフィNex R 延長 幅1792mm × 奥行3621mm 標準柱 を購入した場合の納品時期について教えてください。
【商品カテゴリ >サイクルポート・自転車置き場】(ご質問No.1198)


















