各取扱メーカーの会社名、ロゴ及び商品名等は各社の商標または登録商標です。
| 日 | 月 | 火 | 水 | 木 | 金 | 土 |
|---|---|---|---|---|---|---|
| 1 | ||||||
| 2 | 3 | 4 | 5 | 6 | 7 | 8 |
| 9 | 10 | 11 | 12 | 13 | 14 | 15 |
| 16 | 17 | 18 | 19 | 20 | 21 | 22 |
| 23 | 24 | 25 | 26 | 27 | 28 | 29 |
| 30 |
| 日 | 月 | 火 | 水 | 木 | 金 | 土 |
|---|---|---|---|---|---|---|
| 1 | 2 | 3 | 4 | 5 | 6 | |
| 7 | 8 | 9 | 10 | 11 | 12 | 13 |
| 14 | 15 | 16 | 17 | 18 | 19 | 20 |
| 21 | 22 | 23 | 24 | 25 | 26 | 27 |
| 28 | 29 | 30 | 31 |
…休業日(現場調査・工事は一部対応)
![]()
【受付時間】9:30 - 17:30(営業日)
![]()
【受付時間】9:30 - 17:30(営業日)
オペレーションスタッフ
エクステリアプランナー有資格者の私たちにお任せください。
ショップ責任者
神(じん)
エクステリア プランナー
有資格者61名
1/3
1/3
今週のPick Upページ
![]()
ご利用頂いたお客様の口コミ・レビューを「お客様の声」として掲載しております。
全てのご感想を掲載しておりますので、エクスショップの評判としてご参考ください。
正式お見積りと一緒に提出させて頂いております「工事概略図面」もご覧頂けます。
商品や設置場所のご検討にお役立てください。
(写真No:31996932)
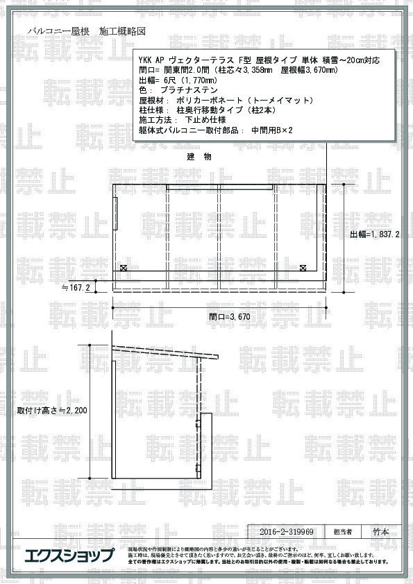
(バルコニー・ベランダ屋根)
| カラー | プラチナステン |
|---|---|
| サイズ | 屋根幅 3,670mm 出幅 1,770mm |
| 柱仕様 | 柱奥行移動タイプ(柱2本) |
| 屋根材 | ポリカーボネート(トーメイマット) |
| 工事方法 | 地域密着あんしん施工 |
ベランダに屋根がなかったため、急な雨で洗濯物をよく濡らしていた。屋根がついたおかげで、微妙な天気の日でも洗濯物を外に干せるようになった。
ヴェクターテラス F型の施工をご依頼頂きまして、誠に有り難うございます。柱奥行移動タイプのバルコニー屋根は、バルコニーの出幅より屋根を張り出すことが出来、雨の吹き込みをしっかりと防ぐことが出来ますね。お洗濯物が雨に濡れる心配が無くなり、家事の効率アップにも繋がるものと存じます。これからも、快適なお住まいづくりのパートナーとして、エクスショップをご利用して頂きますよう、宜しくお願い致します。またのご利用を、心よりお待ち申し上げております。
当サイトは以下のセキュリティ機能や保護認定等を備えています。安心してお申し込みください
当サイトは256ビットSSL暗号化に対応しています。入力した個人情報は暗号化して送られますので、安心してご利用ください。
当社はJADMAの正会員です。同協会は法律で位置づけられた団体で、消費者の利益保護と業界の健全な発展の為に活動しています。
こちらの工事に使用しているエクステリア
![]()
ソラリア F型 屋根タイプ 単体

工事費・税込
75,600円〜
商品レビュー数
624件
快適な空間を生み出してくれるソラリアシリーズのバルコニー屋根です。豊富なサイズ展開でお住まいにぴったりとフィットしてくれます。洗濯物干し場の屋根として大活躍してくれますので、急な雨でも安心です。
この商品の詳細へ
無料お見積り・現場調査・ご注文もこちら