※ 販売終了商品
工事情報
| 工事対応エリア | 全国対応 |
|---|
商品について
| 形状 | 複数台(2台・3台以上)用M合掌タイプ |
|---|---|
| 積雪対応 | 〜20cmまで積雪対応 |
| 耐風圧 | 38m |
| 保証 | 安心ダブル保証 |
| キャンペーン | 対象商品 |
プラチナステン
ブラウン
カームブラック
ピュアシルバー
商品規格
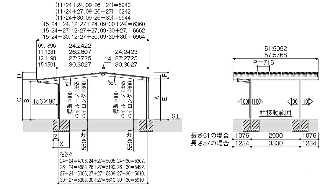
| 規格幅 | (2422+1081)+2423mm / (2422+1501)+2423mm / (2725+1198)+2725mm / (3027+896)+3027mm |
|---|---|
| 規格奥行 | 5052mm / 5768mm |
| 屋根高タイプ | 標準柱仕様(有効高 約2,000mm) / ハイルーフ柱仕様(有効高 約2,350mm) / ハイロング柱仕様(有効高 約2,800mm) |
駐車場の幅と用途に合わせて、M合掌の左右のサイズを変更できるカーポートです。幅を調整することで敷地に合わせた用途で両サイドを使うことができる、使い勝手のいいカーポートです。

M合掌のうち一方のカーポートだけ、柱の外側に屋根が付く形状のカーポートです。お客様の駐車場を含めた敷地の形状に合わせてお選び頂ける、便利なカーポートです。
総合評価5つ星のうち4.34.3
5つ星のうち4
兵庫県N.Y. 様
2017年7月
南向きの駐車場なのでカーポートは必須と思い色々とネットで検索、概算見積もりをネット上で自身ででき、価格の目安がわかったので現地見積もりを依頼、1台分にするか2台分にするか迷っていると自分の理想の1.5台分を提案してくれたり何パターンも見積もりを作成してくれたのでカーポートと物置・土間を併せて購入・施工しました。ほぼ工期通りに施工してもらい、家族の構想通りの完成、工事中でも色々要望に応えてもらえて大変満足しています。
5つ星のうち5
愛知県Y.H. 様
2016年1月
来て頂いた方が丁寧に要望通りのものを、提供してくれました。バルコニーに屋根が無いので、共働きの我が家には洗濯物を干すのがとても、心配でした。バルコニールーフが付いたお陰で雨の心配がなくなりました。物干しも途中で追加したのですが、手早く対応して貰いました。カーポートも小さい子供がいるので車に乗せたりするのにも、屋根があると安心です。物置き小屋も、普段使わない物を沢山収納出来て助かってますキャッシュバックキャンペーンやセット割引等、新居購入の家にはとてもありがたいです。細かい話もメール等で対応して貰えて、気楽にやり取りもが出来たのも良かったです。
バイク・自転車を雨風から保護
お家の収納能力をアップ
ガレージの保全・防犯にカーポートと合わせて
お庭に機能的スペースを作り出します
防犯、お家のドレスアップはこれで決まり
ガレージ商品とコンビで高級感を演出
各取扱メーカーの会社名、ロゴ及び商品名等は各社の商標または登録商標です。
| 日 | 月 | 火 | 水 | 木 | 金 | 土 |
|---|---|---|---|---|---|---|
| 1 | 2 | 3 | 4 | 5 | 6 | 7 |
| 8 | 9 | 10 | 11 | 12 | 13 | 14 |
| 15 | 16 | 17 | 18 | 19 | 20 | 21 |
| 22 | 23 | 24 | 25 | 26 | 27 | 28 |
| 日 | 月 | 火 | 水 | 木 | 金 | 土 |
|---|---|---|---|---|---|---|
| 1 | 2 | 3 | 4 | 5 | 6 | 7 |
| 8 | 9 | 10 | 11 | 12 | 13 | 14 |
| 15 | 16 | 17 | 18 | 19 | 20 | 21 |
| 22 | 23 | 24 | 25 | 26 | 27 | 28 |
| 29 | 30 | 31 |
…休業日(現場調査・工事は一部対応)
![]()
【受付時間】9:30 - 17:30(営業日)
![]()
【受付時間】9:30 - 17:30(営業日)
オペレーションスタッフ
エクステリアプランナー有資格者の私たちにお任せください。
ショップ責任者
神(じん)
エクステリア プランナー
有資格者61名
1/3
木附
枡田
重富
吉澤
吉野
小東
池本
山田
佐藤
白崎
新西
伊野
次田
南
西山
小林
阿重田
梨田
長谷川
藤田
村上
平戸
植松
内田
久田
中島
長石
水口
榮
山崎
清水
室谷
安田
水谷
小野
酒井
一氏
神吉
日下部
山中
深田
田中
水田
西田
岡本
丸山
北
坂本
中嶋
岩野
伊藤
上中
高山
原
犬井
佐伯
谷川
塚田
松本
小林
森下
上内
島田
森
梅田
松山
山本
小西
倉地
山根
中原
河野
村上
土井
岩破
南
井上
三ツ股
小田
依藤
永禮
林
加藤
石藤
駒井
末吉
山本
芦野
樽井
野上
岡田
木村
池田
西村
藤澤
達川
奥原
那須
1/3
今週のPick Upページ
※ 販売終了商品
この商品のキーワード








