バイク・自転車を雨風から保護
お家の収納能力をアップ
ガレージの保全・防犯にカーポートと合わせて
お庭に機能的スペースを作り出します
防犯、お家のドレスアップはこれで決まり
ガレージ商品とコンビで高級感を演出
各取扱メーカーの会社名、ロゴ及び商品名等は各社の商標または登録商標です。
| 日 | 月 | 火 | 水 | 木 | 金 | 土 |
|---|---|---|---|---|---|---|
| 1 | 2 | 3 | 4 | 5 | 6 | 7 |
| 8 | 9 | 10 | 11 | 12 | 13 | 14 |
| 15 | 16 | 17 | 18 | 19 | 20 | 21 |
| 22 | 23 | 24 | 25 | 26 | 27 | 28 |
| 日 | 月 | 火 | 水 | 木 | 金 | 土 |
|---|---|---|---|---|---|---|
| 1 | 2 | 3 | 4 | 5 | 6 | 7 |
| 8 | 9 | 10 | 11 | 12 | 13 | 14 |
| 15 | 16 | 17 | 18 | 19 | 20 | 21 |
| 22 | 23 | 24 | 25 | 26 | 27 | 28 |
| 29 | 30 | 31 |
…休業日(現場調査・工事は一部対応)
![]()
【受付時間】9:30 - 17:30(営業日)
![]()
【受付時間】9:30 - 17:30(営業日)
オペレーションスタッフ
エクステリアプランナー有資格者の私たちにお任せください。
ショップ責任者
神(じん)
エクステリア プランナー
有資格者61名
1/3
木附
枡田
重富
吉澤
吉野
小東
池本
山田
佐藤
白崎
新西
伊野
次田
南
西山
小林
阿重田
梨田
長谷川
藤田
村上
平戸
植松
内田
久田
中島
長石
水口
榮
山崎
清水
室谷
安田
水谷
小野
酒井
一氏
神吉
日下部
山中
深田
田中
水田
西田
岡本
丸山
北
坂本
中嶋
岩野
伊藤
上中
高山
原
犬井
佐伯
谷川
塚田
松本
小林
森下
上内
島田
森
梅田
松山
山本
小西
倉地
山根
中原
河野
村上
土井
岩破
南
井上
三ツ股
小田
依藤
永禮
林
加藤
石藤
駒井
末吉
山本
芦野
樽井
野上
岡田
木村
池田
西村
藤澤
達川
奥原
那須
1/3
今週のPick Upページ
![]()
ご利用頂いたお客様の口コミ・レビューを「お客様の声」として掲載しております。
全てのご感想を掲載しておりますので、エクスショップの評判としてご参考ください。
正式お見積りと一緒に提出させて頂いております「工事概略図面」もご覧頂けます。
商品や設置場所のご検討にお役立てください。
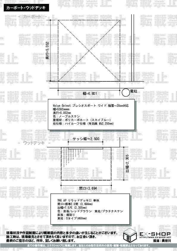
(写真No:7042971)
(カーポート)
| カラー | ノーブルステン |
|---|---|
| サイズ | 幅 5,392mm 奥行 5,052mm |
| 屋根高等 | ハイルーフ仕様(有効高 約2,250mm) |
| 屋根材等 | ポリカーボネート(スカイブルー) |
| 工事方法 | メーカー責任施工 |
ウッドデッキとカーポート購入で最初にウッドデッキを施工してもらいました土間コンクリートなしなので土埋め施工すると聞いてました。施工後みてみたら土に埋まっているのではなく置いてあるだけでした。四五人座るとぐらぐらしてとても残念でした。その後連絡しましたがショップの対応は五センチ程度埋めるといいましたがそれではとても安定するとは思えませんでしたので施工業者と直接話をしましたところ私の言っていることが全く伝わっていませんでした。むしろ業者さんは勘違いしていました。ウッドデッキの底板が三センチしかないのがおかしいと思いました。そこで自分でDIYショッブで15センチ位の底板を購入して施工業者に底板を交換してもらいました。ウッドデッキは望みどおりいかず、ちょっとインターネット販売の難点だったようなきがします。カーポートは問題ありませんでした。
この度は、リウッドデッキIIとプレシオスポート ワイドタイプの施工をご依頼頂きまして、誠に有難うございます。ウッドデッキの施工の際、弊社と提携施工店との連携に至らないところがあり、お客様にご迷惑をおかけ致しましたこと、誠に申し訳なく存じております。再施工にご協力頂きまして、誠に有難うございます。今後は、事前の確認と連絡を密にして、このようなことのございませぬよう、きめ細かい対応を心掛けて参りたいと存じます。この度は、誠に申し訳ございませんでした。
当サイトは以下のセキュリティ機能や保護認定等を備えています。安心してお申し込みください
当サイトはSSL暗号化に対応しています。入力した個人情報は暗号化して送られますので、安心してご利用ください。
当社はJADMAの正会員です。同協会は法律で位置づけられた団体で、消費者の利益保護と業界の健全な発展の為に活動しています。
こちらの工事に使用しているエクステリア
![]()
プレシオスポート アール型 2台用

工事費・税込
239,100円〜
総合平均評価(星5つ評価)
4.5
商品レビュー数
12件
プレシオスポート アール型 2台用は継ぎ目無しの大きなアール屋根が印象的なエクスショップオリジナルブランドの2台用カーポートです。耐風性能は基準風速Vo=34m/s、耐積雪性能は20cm相当(600N/㎡)を保持しています。本体色は3種類・屋根材は4種類ご用意。
この商品の詳細へ
無料お見積り・現場調査・ご注文もこちら
この商品のレビュー
商品レビュー12件
関連するお客様の声

5つ星のうち4
兵庫県M.K. 様回答日:2015年4月
設置後、雨にも濡れないので本当に良かったと思ってます。施工業者さんも丁寧でした。

5つ星のうち3
奈良県O.K. 様回答日:2014年12月
見積りも工事も早くて良かったかも。

熊本県N.Y. 様回答日:2014年3月
電話対応もよく担当者の方も親切でこちらの要望で何度も見積をして頂き感謝しています。連絡を取り合ううちに不安もなくなり安心して依頼する事ができました。施工業者の方の作業もスムーズで仕上がりも綺麗だったのでエクスショップさんにお願いして良かったと思います。

5つ星のうち5
千葉県F.K. 様回答日:2013年4月
最初は、値段で見積もりを頼みましたが、見積もりを来ていただいた業者さんがものすごくていねいでぜひその方に頼みたいとおもいました。エクスショップの担当の方も迅速にメールで受け答えをしていただきスムーズで段取りも早く大変うれしかったです。

5つ星のうち5
奈良県A.C. 様回答日:2012年11月
大変お値打ちにとても良いカーポートを仕上げて頂きました。ずっと欲しかったので実際に出来てみて予想以上に大きかったので大満足です。商品もとてもきれいで施工ももちろんきちんとして頂きました。

5つ星のうち5
岡山県S.A. 様回答日:2026年1月
新築戸建の購入に伴い、カーポートとサイクルポートの設置を検討していました。インターネットで検索した際に上位に表示され、施工事例の画像やレビューを拝見して良さそうだと感じ、見積もりを依頼しました。見積もり内容の変更を何度かお願いしましたが、その都度迅速にご対応いただきました。また、工事日程の調整などについても小まめにご連絡をいただき、無事に完工することができました。

5つ星のうち5
神奈川県O.K. 様回答日:2025年11月
カーポート設置は住宅新築当初からの懸案でしたが、デザイン的に満足するものがなく、十年にわたり車は陽ざらし雨ざらしの状態を続けていました。あるときネット上でふと目にした製品がようやく気に入り、そこからどんどん話を進めて短期間での設置完了となりました。その過程で、エクスショップさんとは二十回以上のメール応答があり、担当の方の迅速かつ丁寧な対応は好印象だったといえます。予想していたよりも早い日にちで工事をしてもらえた点も大いに助かりました。なお施工完了後にみても、費用に十分見合う出来映えとして満足しています。

5つ星のうち5
愛知県A.M. 様回答日:2025年9月
ずっとカーポートが付けたかったけど、どうしてもいるものではなかったので後回しになっていた。年々猛暑が続いていた事がきっかけです。暑い日に乗った最初の車内の温度が低く感じられて、つけて良かったと思った。小雨の時の車の汚れが防げるといいなと思っています。
関連するブログ記事










関連するよくあるご質問
カーポートの設置と一緒に土間コンクリートを打設できますか?
【商品カテゴリ >カーポート】(ご質問No.707)
既存のカーポート屋根材の張り替えの依頼はできますか?
【商品カテゴリ >カーポート】(ご質問No.21)
以前購入したカーポートの部品のみを追加で購入する事は可能ですか?
【商品カテゴリ >カーポート】(ご質問No.48)
ワイドタイプのカーポートですが、横幅の切り詰めは可能ですか?
【商品カテゴリ >カーポート】(ご質問No.69)
カーポートって何ですか?
【商品カテゴリ >カーポート】(ご質問No.28910)
既存のカーポートの柱の高さを桁上げする事は可能ですか?
【商品カテゴリ >カーポート】(ご質問No.43)
既存のカーポートをいったん解体し、再度組み立てることは可能ですか?
【商品カテゴリ >カーポート】(ご質問No.46)
四国化成のFリードカーポート収納庫付きタイプは取り扱ってますか?
【商品カテゴリ >カーポート】(ご質問No.74)
既存カーポートの支柱を流用して、増設、縦列2台用のカーポートを設置することは可能ですか?
【商品カテゴリ >カーポート】(ご質問No.84)
四国化成のマイポートneoの取り扱いはありますか?
【商品カテゴリ >カーポート】(ご質問No.88)


















