バイク・自転車を雨風から保護
お家の収納能力をアップ
ガレージの保全・防犯にカーポートと合わせて
お庭に機能的スペースを作り出します
防犯、お家のドレスアップはこれで決まり
ガレージ商品とコンビで高級感を演出
各取扱メーカーの会社名、ロゴ及び商品名等は各社の商標または登録商標です。
| 日 | 月 | 火 | 水 | 木 | 金 | 土 |
|---|---|---|---|---|---|---|
| 1 | 2 | 3 | 4 | 5 | 6 | 7 |
| 8 | 9 | 10 | 11 | 12 | 13 | 14 |
| 15 | 16 | 17 | 18 | 19 | 20 | 21 |
| 22 | 23 | 24 | 25 | 26 | 27 | 28 |
| 日 | 月 | 火 | 水 | 木 | 金 | 土 |
|---|---|---|---|---|---|---|
| 1 | 2 | 3 | 4 | 5 | 6 | 7 |
| 8 | 9 | 10 | 11 | 12 | 13 | 14 |
| 15 | 16 | 17 | 18 | 19 | 20 | 21 |
| 22 | 23 | 24 | 25 | 26 | 27 | 28 |
| 29 | 30 | 31 |
…休業日(現場調査・工事は一部対応)
![]()
【受付時間】9:30 - 17:30(営業日)
![]()
【受付時間】9:30 - 17:30(営業日)
オペレーションスタッフ
エクステリアプランナー有資格者の私たちにお任せください。
ショップ責任者
神(じん)
エクステリア プランナー
有資格者61名
1/3
木附
枡田
重富
吉澤
吉野
小東
池本
山田
佐藤
白崎
新西
伊野
次田
南
西山
小林
阿重田
梨田
長谷川
藤田
村上
平戸
植松
内田
久田
中島
長石
水口
榮
山崎
清水
室谷
安田
水谷
小野
酒井
一氏
神吉
日下部
山中
深田
田中
水田
西田
岡本
丸山
北
坂本
中嶋
岩野
伊藤
上中
高山
原
犬井
佐伯
谷川
塚田
松本
小林
森下
上内
島田
森
梅田
松山
山本
小西
倉地
山根
中原
河野
村上
土井
岩破
南
井上
三ツ股
小田
依藤
永禮
林
加藤
石藤
駒井
末吉
山本
芦野
樽井
野上
岡田
木村
池田
西村
藤澤
達川
奥原
那須
1/3
今週のPick Upページ
![]()
ご利用頂いたお客様の口コミ・レビューを「お客様の声」として掲載しております。
全てのご感想を掲載しておりますので、エクスショップの評判としてご参考ください。
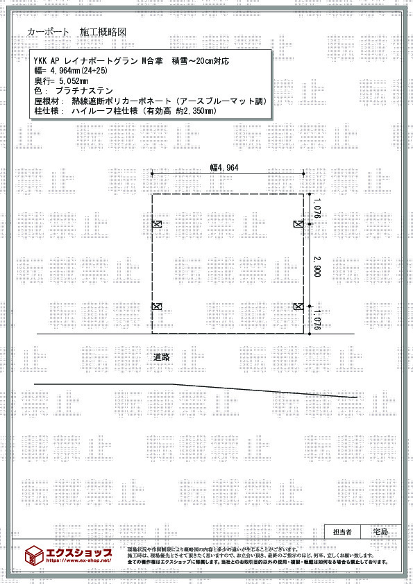
正式お見積りと一緒に提出させて頂いております「工事概略図面」もご覧頂けます。
商品や設置場所のご検討にお役立てください。
(写真No:18909511)
(カーポート)
| カラー | ホワイト |
|---|---|
| サイズ | 幅 4,964mm 奥行 5,052mm |
| 屋根高等 | ハイルーフ柱仕様(有効高 約2,350mm) |
| 屋根材等 | 熱線遮断ポリカーボネート(アースブルーマット調) |
| 工事方法 | 地域密着あんしん施工 |
ネットで申込みに対するリアクション、見積もり現場訪問の迅速性、訪問業者の方の対応の良さ、また、見積もりの透明性と内容の妥当性で依頼としました。
現場調査にお伺い致しました弊社提携施工店の担当者にお褒めのお言葉を頂き、誠に有り難うございます。やはり、お客様のお言葉が一番の励みになりますので、早速お伝えして喜びを分かち合いたいと存じます。ホワイトのレイナポートグラン M合掌が綺麗に納まり、私ども嬉しく思います。同じくホワイトの門扉や門柱、玄関へのアプローチ階段をより引き立てるお仕上がりでございますね。今後また機会がございましたら、是非エクスショップにご用命ください。またのご利用を、心よりお待ち致しております。
当サイトは以下のセキュリティ機能や保護認定等を備えています。安心してお申し込みください
当サイトはSSL暗号化に対応しています。入力した個人情報は暗号化して送られますので、安心してご利用ください。
当社はJADMAの正会員です。同協会は法律で位置づけられた団体で、消費者の利益保護と業界の健全な発展の為に活動しています。
こちらの工事に使用しているエクステリア
![]()
アリュース 600タイプ M合掌セット(2台用)

工事費・税込
343,000円〜
総合平均評価(星5つ評価)
4.57
商品レビュー数
7件
アリュース 600タイプ M合掌セット(2台用)は2台のアリュース 600タイプ 1台用の屋根先をつなぎ合わせたM字型のカーポートです。異なるサイズでの組み合わせも可能で、敷地形状に適したものを設置いただけます。性能は基準風速Vo=34m/s・耐積雪性能20cmです。
この商品の詳細へ
無料お見積り・現場調査・ご注文もこちら
この商品のレビュー
商品レビュー7件
関連するお客様の声

5つ星のうち4
神奈川県K.H. 様回答日:2013年9月
コールセンターの対応が迅速性に少し欠けていた点があったが、商品と施工のコストパフォーマンスは高いと思う。

5つ星のうち5
埼玉県T.K. 様回答日:2024年5月
以前からカーポートの購入を検討してはいたのですがホームセンター、工務店等に足を運ぶまでは…と思っていたところ自宅から、商品の比較や自分の希望のものを探せたのがよかったです。少量の雨でも車が汚れず洗車が減り隣の家との目隠しにもなりました。申し込みから短期間で設置してもらうことができました。

5つ星のうち5
宮城県S.M. 様回答日:2022年1月
妻が車通勤で、朝の雪下ろしが大変でした。雪は勿論、ガラスの凍結も無くなり大変喜んでます。御社は工事完了まで電話、メールでのやり取りでしたがこまめに連絡いただき全く不安もなく、価格も他店よりかなり安く、そして何より工事が丁寧で驚きでした。他の工事店に依頼しなくてつくづく良かったと思います。

5つ星のうち5
長崎県K.T. 様回答日:2021年4月
カーポートにおいては、元々1台分で支柱が気になって駐車に気をつけていました。しかし、3台分にして支柱が無くなり快適。ストックヤードでは、古い物置の撤去、足場コンクリート打ち直しをして非常に快適です。エクスショップの感想はメールでの打合せ、現場での簡単な打合せと淡々と事が進んで私としてはよかったです。

5つ星のうち4
福岡県H.M. 様回答日:2020年8月
入居当初からカーポートを設置したかったのですが、仕事が忙しく、なかなか家の方に手を着けられずにいました。今年は新型コロナの影響でステイホーム期間があったため、この機会を逃すまいと設置を決めました。完成してまだ数日で、降雨もまだないですが、雨の日に車を降りても玄関まで濡れずに行けるようになったのは嬉しいです。

5つ星のうち4
埼玉県N.M. 様回答日:2019年7月
真夏に熱くなった車内に入ることが苦痛でした。遮光のパネルにしたことで、まだ初夏ですが、車内の温度が下がっているようです。すでに、ひんやりとしていることが多くなりました。また、数年前に大雪が降った時、カーポートが崩れて、車が被害を受けた地域ですので、強度にも期待しています。

5つ星のうち5
岡山県S.A. 様回答日:2026年1月
新築戸建の購入に伴い、カーポートとサイクルポートの設置を検討していました。インターネットで検索した際に上位に表示され、施工事例の画像やレビューを拝見して良さそうだと感じ、見積もりを依頼しました。見積もり内容の変更を何度かお願いしましたが、その都度迅速にご対応いただきました。また、工事日程の調整などについても小まめにご連絡をいただき、無事に完工することができました。

5つ星のうち5
神奈川県O.K. 様回答日:2025年11月
カーポート設置は住宅新築当初からの懸案でしたが、デザイン的に満足するものがなく、十年にわたり車は陽ざらし雨ざらしの状態を続けていました。あるときネット上でふと目にした製品がようやく気に入り、そこからどんどん話を進めて短期間での設置完了となりました。その過程で、エクスショップさんとは二十回以上のメール応答があり、担当の方の迅速かつ丁寧な対応は好印象だったといえます。予想していたよりも早い日にちで工事をしてもらえた点も大いに助かりました。なお施工完了後にみても、費用に十分見合う出来映えとして満足しています。

5つ星のうち5
愛知県A.M. 様回答日:2025年9月
ずっとカーポートが付けたかったけど、どうしてもいるものではなかったので後回しになっていた。年々猛暑が続いていた事がきっかけです。暑い日に乗った最初の車内の温度が低く感じられて、つけて良かったと思った。小雨の時の車の汚れが防げるといいなと思っています。
関連するブログ記事










関連するよくあるご質問
カーポートの設置と一緒に土間コンクリートを打設できますか?
【商品カテゴリ >カーポート】(ご質問No.707)
既存のカーポート屋根材の張り替えの依頼はできますか?
【商品カテゴリ >カーポート】(ご質問No.21)
以前購入したカーポートの部品のみを追加で購入する事は可能ですか?
【商品カテゴリ >カーポート】(ご質問No.48)
ワイドタイプのカーポートですが、横幅の切り詰めは可能ですか?
【商品カテゴリ >カーポート】(ご質問No.69)
カーポートって何ですか?
【商品カテゴリ >カーポート】(ご質問No.28910)
既存のカーポートの柱の高さを桁上げする事は可能ですか?
【商品カテゴリ >カーポート】(ご質問No.43)
既存のカーポートをいったん解体し、再度組み立てることは可能ですか?
【商品カテゴリ >カーポート】(ご質問No.46)
四国化成のFリードカーポート収納庫付きタイプは取り扱ってますか?
【商品カテゴリ >カーポート】(ご質問No.74)
既存カーポートの支柱を流用して、増設、縦列2台用のカーポートを設置することは可能ですか?
【商品カテゴリ >カーポート】(ご質問No.84)
四国化成のマイポートneoの取り扱いはありますか?
【商品カテゴリ >カーポート】(ご質問No.88)


















