バイク・自転車を雨風から保護
お家の収納能力をアップ
ガレージの保全・防犯にカーポートと合わせて
お庭に機能的スペースを作り出します
防犯、お家のドレスアップはこれで決まり
ガレージ商品とコンビで高級感を演出
各取扱メーカーの会社名、ロゴ及び商品名等は各社の商標または登録商標です。
| 日 | 月 | 火 | 水 | 木 | 金 | 土 |
|---|---|---|---|---|---|---|
| 1 | 2 | 3 | 4 | 5 | 6 | 7 |
| 8 | 9 | 10 | 11 | 12 | 13 | 14 |
| 15 | 16 | 17 | 18 | 19 | 20 | 21 |
| 22 | 23 | 24 | 25 | 26 | 27 | 28 |
| 日 | 月 | 火 | 水 | 木 | 金 | 土 |
|---|---|---|---|---|---|---|
| 1 | 2 | 3 | 4 | 5 | 6 | 7 |
| 8 | 9 | 10 | 11 | 12 | 13 | 14 |
| 15 | 16 | 17 | 18 | 19 | 20 | 21 |
| 22 | 23 | 24 | 25 | 26 | 27 | 28 |
| 29 | 30 | 31 |
…休業日(現場調査・工事は一部対応)
![]()
【受付時間】9:30 - 17:30(営業日)
![]()
【受付時間】9:30 - 17:30(営業日)
オペレーションスタッフ
エクステリアプランナー有資格者の私たちにお任せください。
ショップ責任者
神(じん)
エクステリア プランナー
有資格者61名
1/3
木附
枡田
重富
吉澤
吉野
小東
池本
山田
佐藤
白崎
新西
伊野
次田
南
西山
小林
阿重田
梨田
長谷川
藤田
村上
平戸
植松
内田
久田
中島
長石
水口
榮
山崎
清水
室谷
安田
水谷
小野
酒井
一氏
神吉
日下部
山中
深田
田中
水田
西田
岡本
丸山
北
坂本
中嶋
岩野
伊藤
上中
高山
原
犬井
佐伯
谷川
塚田
松本
小林
森下
上内
島田
森
梅田
松山
山本
小西
倉地
山根
中原
河野
村上
土井
岩破
南
井上
三ツ股
小田
依藤
永禮
林
加藤
石藤
駒井
末吉
山本
芦野
樽井
野上
岡田
木村
池田
西村
藤澤
達川
奥原
那須
1/3
今週のPick Upページ
![]()
ご利用頂いたお客様の口コミ・レビューを「お客様の声」として掲載しております。
全てのご感想を掲載しておりますので、エクスショップの評判としてご参考ください。
正式お見積りと一緒に提出させて頂いております「工事概略図面」もご覧頂けます。
商品や設置場所のご検討にお役立てください。
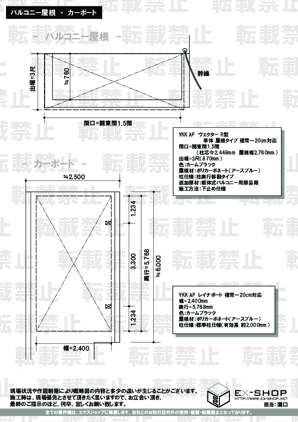
(写真No:3384639)
(カーポート)
| カラー | カームブラック |
|---|---|
| サイズ | 幅 2,400mm 奥行 5,768mm |
| 屋根高等 | 標準柱仕様(有効高:2000mm) |
| 屋根材等 | ポリカーポネート(アースブルー) |
| 工事方法 | 地域密着あんしん施工 |
エクスショップの方も工事の方も大変親切でよかったのですが、YKKの工事の受注があまりないらしく、柱の位置、長さミス等があり、目を離せない感じでした。不満の残る仕上がりになってしまいました。
この度はエクスショップをご利用いただきまして、誠に有難うございます。地域密着安心施工でのご利用でしたが、施工にご不満が残る結果となり、大変申し訳なく感じております。何が原因であったかを、施工店側とも検討してまいりたいと存じます。万が一、何かございましたら、お手数ではございますが、弊社までご連絡頂けますよう、宜しくお願い致します。この度のご利用、誠に有難うございました。
当サイトは以下のセキュリティ機能や保護認定等を備えています。安心してお申し込みください
当サイトはSSL暗号化に対応しています。入力した個人情報は暗号化して送られますので、安心してご利用ください。
当社はJADMAの正会員です。同協会は法律で位置づけられた団体で、消費者の利益保護と業界の健全な発展の為に活動しています。
こちらの工事に使用しているエクステリア
![]()
アリュース 600タイプ 1台用

工事費・税込
133,100円〜
総合平均評価(星5つ評価)
4.84
商品レビュー数
208件
アリュース 600タイプ 1台用はアール屋根・片側支持仕様のカーポートです。柱と梁にはT6処理(部材押出時に水で急速冷凍し高強度化)を施したアルミニウム合金を採用。基準風速Vo=34m/s・耐積雪性能20cmの安心性能です。オプションとしてサイドパネルなどもご用意。
この商品の詳細へ
無料お見積り・現場調査・ご注文もこちら
この商品のレビュー
商品レビュー208件

岡山県 玉野市 Y.T.様
幅広いバリエーションで幅、奥行き、高さ等の選択肢が多く、遮熱屋根が選べたのが良かったです。

高知県 四万十市 N.M.様
まだ駐車場の土間コンクリートが完成してないので使っていませんがとても満足です。暑くなるこれからの季節にとても役立つと思います。

兵庫県 明石市 S.E.様
前のカーポートは20年以上使っていたので、入れ替えた事により明るくなりました。近所の方々によーなったなぁと言っていただき高評判です。

広島県 三原市 O.Y.様
見た目も大変よく大満足です。工事もとても丁寧にしていただきました。

兵庫県 神戸市 N.H.様
作りがしっかりしていて、デザインがよく 色のバリエーションも多いので家に合わせやすい

神奈川県 横浜市 I.T.様
思ったより大きかったので少し積雪が心配です。

埼玉県 東松山市 M.M.様
比較的安い商品を頼んだが、柱が太くて丈夫そう。 倒壊の心配は無い。

栃木県 さくら市 F.A.様
全長も長く、幅広なので車が停めやすくなった。自宅の屋根と位置を合わせたことで雨に濡れなくなった。

三重県 津市 K.T.様
事前にイメージしたとおりでとても満足しています。質感や色も悪くないです。

奈良県 生駒市 K.H.様
現時点では大変満足しています。 家族の評判も良いです。

岡山県 倉敷市 C.N.様
カーポート自体少し大きく、車以外、自転車もいれることができ満足してます

大分県 大分市 Z.M.様
九州はこれからの季節、朝の慌ただしい出勤時… 「今朝は車のフロントガラスが朝霜で凍ってるかな〜?凍ってたら溶かさなきゃな〜」と気をもむ1月に施工していただきました。おかげさまで、カーポート屋根が朝霜をすべて受け止め…毎朝スムーズ快適に出勤しております。

岐阜県 関市 M.Y.様
モデルチェンジしたみたいですが前のモデルとそんなに変わらないのでよかったです。

兵庫県 高砂市 T.M.様
カーポートの形状も色合いもよく、大変満足しています。

神奈川県 横浜市 H.N.様
カーポートの設置によって、部屋の明るさに影響を与えることを心配していましたが、 透過性のよい材質のため、全く影響なく設置できました。

栃木県 塩谷郡高根沢町 M.S.様
ご丁寧にメールを頂きありがとうございました。土日しか休みがないので、休日に見積りや施工が出来ると良かったです。

神奈川県 横浜市 K.Y.様
日差しがしっかり抑えられ、霜が車につくことが少なくなり安心して車を停められるようになりました。

佐賀県 伊万里市 N.T.様
まだ設置したばかりで1年の春夏秋冬を経験していないので何とも言えませんが今の所は満足です。

神奈川県 川崎市 A.S.様
既存の外構と違和感なく溶け込んで、とてもよいです。今は冬なので実感できませんが、夏を迎えた時に遮光性を発揮してくれることを期待しています。

東京都 練馬区 A.N.様
概ね想定通りの製品であったが、使用開始後間もないので、評価はこれからです。
関連するお客様の声

5つ星のうち5
広島県O.Y. 様回答日:2025年2月
冬季の凍結や鳥のフンに悩まされていましたが解消されました。また、冬季の設置をお願いしましたが夏の暑さ対策に適した商品をわかりやすくご提案いただき、納得してお願いできました。また担当者の方も話しやすく、説明も適切で安心してお任せできました。ありがとうございました。

5つ星のうち4
佐賀県N.T. 様回答日:2025年1月
外構を調べていてYouTubeを良く見ていましたがお勧めがエクスショップだったので3台用で見積りを取ってみて希望に近かったので決めましたが、実際に決定した見積りは設置業者さんお勧めの組合せが良かったので変更して決定しました。設置してから霜が降りる寒い日や雨の日の乗り降りが大変楽になり設置して良かったです。

5つ星のうち4
栃木県F.A. 様回答日:2025年1月
既存のカーポートが30年選手となり老朽化が目立つようになった。また4本足なので、2本で支えるタイプを探していた。幅広の片足カーポートに変えたことで非常に車が停めやすくなった。エクスショップさんは対応が早く安心して工事をお願いすることが出来た。

5つ星のうち5
神奈川県A.S. 様回答日:2024年12月
見積もりでは、途中防火地域であることに気づき、商品の変更をお願いしましたが、丁寧に迅速に対応していただきました。その後、建築確認申請を対応してもらえる建築士さん探しで少し間があいてしまったのですが、見積もりを変更なく適応していただき、とてもありがたかったです。

5つ星のうち5
京都府I.T. 様回答日:2024年10月
リフォーム会社で見積もりをあげてもらいましたが、予算があわずネットで調べたら見積もりよりかなり安い価格で記載されていた為、ネット販売で不安がありましたが見積もりをお願いした所メール、telで親切な対応で即決させてもらいました。商品価格も大変安く、工事も完璧で大満足です。

5つ星のうち5
岡山県S.A. 様回答日:2026年1月
新築戸建の購入に伴い、カーポートとサイクルポートの設置を検討していました。インターネットで検索した際に上位に表示され、施工事例の画像やレビューを拝見して良さそうだと感じ、見積もりを依頼しました。見積もり内容の変更を何度かお願いしましたが、その都度迅速にご対応いただきました。また、工事日程の調整などについても小まめにご連絡をいただき、無事に完工することができました。

5つ星のうち5
群馬県M.A. 様回答日:2025年12月
車の入れ替えをきっかけに、カーポートを検討。近接の娘の家にも同時に設置したかった。冬場の朝、フロントガラスの凍結がなくなり、朝の通勤がとても快適になった。工事担当業者も気さくな人で、設置場所等細かいところまで相談に乗ってくれ安心して任せられた。今後も何かあれば一番初めに相談したいと思います。

5つ星のうち5
神奈川県O.K. 様回答日:2025年11月
カーポート設置は住宅新築当初からの懸案でしたが、デザイン的に満足するものがなく、十年にわたり車は陽ざらし雨ざらしの状態を続けていました。あるときネット上でふと目にした製品がようやく気に入り、そこからどんどん話を進めて短期間での設置完了となりました。その過程で、エクスショップさんとは二十回以上のメール応答があり、担当の方の迅速かつ丁寧な対応は好印象だったといえます。予想していたよりも早い日にちで工事をしてもらえた点も大いに助かりました。なお施工完了後にみても、費用に十分見合う出来映えとして満足しています。
関連するブログ記事










関連するよくあるご質問
カーポートの設置と一緒に土間コンクリートを打設できますか?
【商品カテゴリ >カーポート】(ご質問No.707)
既存のカーポート屋根材の張り替えの依頼はできますか?
【商品カテゴリ >カーポート】(ご質問No.21)
以前購入したカーポートの部品のみを追加で購入する事は可能ですか?
【商品カテゴリ >カーポート】(ご質問No.48)
ワイドタイプのカーポートですが、横幅の切り詰めは可能ですか?
【商品カテゴリ >カーポート】(ご質問No.69)
カーポートって何ですか?
【商品カテゴリ >カーポート】(ご質問No.28910)
既存のカーポートの柱の高さを桁上げする事は可能ですか?
【商品カテゴリ >カーポート】(ご質問No.43)
既存のカーポートをいったん解体し、再度組み立てることは可能ですか?
【商品カテゴリ >カーポート】(ご質問No.46)
四国化成のFリードカーポート収納庫付きタイプは取り扱ってますか?
【商品カテゴリ >カーポート】(ご質問No.74)
既存カーポートの支柱を流用して、増設、縦列2台用のカーポートを設置することは可能ですか?
【商品カテゴリ >カーポート】(ご質問No.84)
四国化成のマイポートneoの取り扱いはありますか?
【商品カテゴリ >カーポート】(ご質問No.88)


















